MIP Elektronik Umbau 2021

Nach einigen erfolgreichen Testflügen mit meinem Simulator kam der Moment, an dem die Elektronik des MIP (Main Instrument Panel) überarbeitet werden musste. Ursprünglich setzte ich dafür eine Flightdeck FDS-SYS1-XT Karte ein. Diese war zwar leistungsstark, aber für meine Zwecke schlicht zu überdimensioniert. Also fasste ich den Entschluss: Ein Umbau musste her.

Die Lösung fand ich in zwei PoKeys 57E Karten. Eine davon sollte künftig die digitalen Ausgänge übernehmen – also vor allem die LEDs –, während die zweite für die digitalen Eingänge wie Schalter zuständig sein würde. Die FDS-Karte sollte später an anderer Stelle im Simulator eingesetzt werden, wo ihre Größe und Leistungsfähigkeit besser passte.

Der Grund für den Wechsel war nicht nur die überdimensionierte Hardware, sondern auch meine leidige Erfahrung mit USB-Anschlüssen. Immer wieder kam es vor, dass ein USB-Gerät plötzlich „verschwand“ – und damit gleich der gesamte Simulator abstürzte. Frust pur! Mit der Ethernet-Version der PoKeys 57E konnte ich dieses Risiko umgehen. Über das Netzwerk angebunden, arbeiten die Karten stabil und zuverlässig. Ein weiterer Pluspunkt: Die ProSim737-Softwarebringt bereits passende Treiber mit, sodass die Konfiguration erstaunlich einfach von der Hand geht.

Die Technik hinter den PoKeys 57E ist beeindruckend vielseitig: Jede Karte bietet bis zu 55 frei belegbare Ports, die wahlweise als Ein- oder Ausgänge genutzt werden können. Zusätzlich stehen noch 7 analoge Eingänge zur Verfügung. Über die mitgelieferte Software lassen sich die Ports übersichtlich programmieren – ideal, um Ordnung ins Kabelchaos zu bringen.

Ein Problem musste ich jedoch lösen: Die PoKeys liefern an den Ausgängen nicht genügend Strom, um direkt LEDs zu betreiben. Deshalb habe ich kleine Treiberplatinen vorgeschaltet, die den Strom für die LEDs übernehmen. Jeder Treiberbaustein steuert dabei bis zu acht LEDs an. Auch die nötigen Vorwiderstände habe ich direkt auf den Platinen verlötet – so blieb alles kompakt und übersichtlich.

Für die Verkabelung der LEDs und Schalter setzte ich auf Printklemmen, die ich ebenfalls auf Platinen verlötet habe. Das erleichtert nicht nur den Anschluss, sondern sorgt auch für eine saubere und stabile Verdrahtung.

Mit diesem Umbau ist das MIP nicht nur deutlich zuverlässiger, sondern auch flexibler geworden. Das Zusammenspiel von Hardware und ProSim737 läuft jetzt stabil, ohne dass ich ständig Angst haben muss, dass ein USB-Gerät den kompletten Simulator lahmlegt.

So sehen meine selbst gebastelten Interface-Karten aus.

mip elek umb 1

Digitale Eingänge
Hier habe ich alle 55 Eingänge auf Printklemmen beschalten. Die Eingänge werden gegen Masse geschalten.

mip elek umb 2

Digitale Eingangskarte
So sieht die Verdrahtung der Bauteile von unten aus.

mip elek umb 3

Digitale Ausgänge
Diese Karte war etwas aufwändiger zu verarbeiten, da hier wie links zu sehen noch Treiber für die LED´s verlötet werden mussten. Ebenfalls haben auch die Vorwiderstände für die LED auf der Platine ihren Platz gefunden.

mip elek umb 4

Digitale Ausgangskarte
So sieht die Verdrahtung der Bauteile von unten aus.

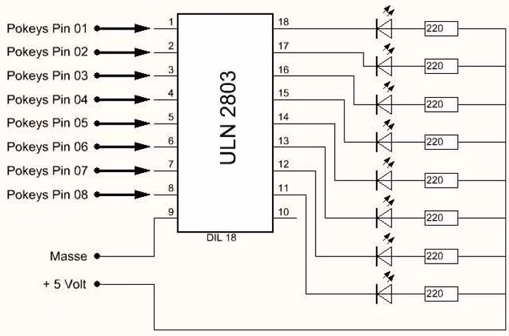
Also begann die nächste große Umbauphase: die Integration eines LED-Treibersystems. Nach einigen Recherchen und Überlegungen fiel die Wahl auf den bewährten ULN2803. Diese kleinen Bausteine sind echte Arbeitstiere – kompakt, robust und fast überall erhältlich. Gleich fünf Stück davon fanden ihren Platz im Simulator, was die Ansteuerung von insgesamt 40 LEDs ermöglichte.

40 LEDs – das klingt zunächst vielleicht nüchtern, doch wer einmal im Dunkeln im Simulator gesessen hat und die Anzeigen aufleuchten sieht, weiß, wie groß der Unterschied ist. Plötzlich wirkt das MIP nicht mehr wie ein Nachbau, sondern wie ein echtes Flugzeugpanel. Jede LED ein kleines Detail, das zusammen ein großes Stück Realismus schafft.

Die Bausteine waren überraschend leicht zu beschaffen – sogar im normalen Elektronikfachhandel, wie etwa beim großen C, konnte man sie problemlos kaufen. Ein unscheinbarer Schritt vielleicht, aber für den Simulator ein entscheidender Meilenstein: Von nun an bekam der Boeing 737 Nachbau ein Stück echtes Cockpit-Feeling – sichtbar in jedem einzelnen Lichtpunkt.

mip elek umb 5
ULN2803 – Beschaltung

Der ULN2803 verfügt über insgesamt 18 Pins.

  • Pins 1–8: Hier werden die Ausgänge der PoKeys angeschlossen. Diese müssen in der PoKeys-Software als Outputkonfiguriert sein.

  • Pins 11–18: An diesen Pins werden die LEDs angeschlossen. Jede LED benötigt einen Vorwiderstand (in meinem Fall 220 Ω). Die Vorwiderstände werden mit einer +5 V Versorgungsspannung verbunden.

  • Pin 9: Dieser Pin wird mit dem Minuspol (GND) der 5 V Versorgung verbunden.

Die Schaltung arbeitet nach dem Prinzip der Low-Side-Ansteuerung – das heißt, der ULN2803 schaltet die Masse (Minuspol) durch.

mip elek umb 6

So sieht mein selbst erstellter Stromlaufplan aus.

Anhand dieser Vorlage verdrahte ich nun die LEDs des MIP und konfiguriere sie entsprechend in ProSim737.

Auch für die Schalter und Taster habe ich einen eigenen Stromlaufplan erstellt, nach dem sie verdrahtet und anschließend in der Software konfiguriert werden.

Pokeys konfigurieren
Im nächsten Schritt müssen die Pokeys-Interfacekarten an die jeweilige Anwendung angepasst werden.
Das bedeutet: Jeder einzelne Pin der Pokeys-Karte muss entsprechend als digitaler oder analoger Ein- bzw. Ausgang definiert werden.

mip elek umb 7

Sobald die PoKeys-Software gestartet ist, wählt man zunächst das gewünschte Gerät aus und klickt anschließend auf Verbinden.

mip elek umb 8

Nun muss für jeden Pin festgelegt werden, ob er als analoger oder digitaler Eingang beziehungsweise als analoger oder digitaler Ausgang genutzt werden soll.

Dazu einfach den gewünschten Pin auswählen und die entsprechende Funktion zuweisen.

In meinem Fall sind alle 55 Pins als digitale Eingänge konfiguriert (z. B. für Schalter oder Taster).

Die Pins können jedoch auch gemischt genutzt werden. Beispiel: Pin 1–10 als digitale Eingänge, Pin 20–30 als digitale Ausgänge und Pin 40–43 als analoge Eingänge (z. B. für ein Potentiometer).

mip elek umb 9

Wenn die Einstellungen korrekt sind, muss die Konfiguration mit „Senden zum Gerät“ auf die PoKeys übertragen und gespeichert werden.
Anschließend ist die Karte einsatzbereit.

In ProSim737 müssen dann nur noch die Pins entsprechend der Konfiguration richtig zugeordnet werden.